2026年4月20日
 
目前位置系統教學 上一頁 | 下一頁
教學影片

單線圖

66
67
68
 
 

目前台灣採用345 KV超高壓系統,161 KV、69 KV輸電,22.8 KV、11.4 KV配電,低壓則提供單相三線220 - 110 V,三相三線220 V,三相四線380 - 220V等供電方式。

 

低壓用戶 (用電在100 KW 以下)

41
42
43
 
 

台電引進電源->台電變壓器->受電箱->電錶箱->負載表之總盤

 

高壓用戶(用電在100 KW ~ 1,000 KW之間)

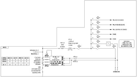
MOF
MVCB
VCB
 
 

單線圖(高壓 11.4 或 22.8 KV),由上而下分別為「引進電源」、「高壓開關」含高壓斷路器和電力熔絲,用於保護線路、變壓器或高壓電動機,最後透過「高壓變壓器」將高壓轉換成低壓 (600 V 以下),銜接「低壓主盤」,完成高壓與低壓系統之銜接。

 

保護協調

69
70
71
 
 

若為高壓用戶,因為高壓斷路器無法自行跳脫,需透過保護電驛的比流器(CT)偵測電路電流,當超過動作電流時,電驛開始動作,驅使斷路器跳脫,並應用延時性來確保與前一級保護電驛之間在動作電流及時間上取得協調,只啟斷故障線路和設備,能迅速隔離故障區域,使正常區域能繼續維持運轉。也就是接近故障點〈負載側〉的保護電驛動作,而遠離故障點〈電源側〉的前一級保護電驛不動作


請選擇保護電驛的廠牌型號,根據比流器匝比與反時限之採用標準及曲線型式,繪製時間電流曲線,然後設定起始動作電流標置(I >)可左右移動曲線,設定時間標置(TMS)可上下移動曲線,最後設定瞬跳電流倍數(I >>)決定瞬跳電流 ( IIT ),協調原則如下:

  • 由上而下逐級設定,先設定TPC,接著設定主斷路器,再設定分路斷路器,並從變壓器最大容量之分路開始。
  • 先協調CO曲線,再協調LCO曲線。
 

照明計算

72
73
74
 
 

根據北美照明工程協會〈Illuminating Engineering Society of North America, IESNA〉的定義:“使用可行的照明技術,為安全有效和愉快地享用既成環境所產生之照明方法或解決方案的一種創造性過程”,稱為照明設計。本照明設計是採照明工程學會所承認之流明法〈Lumen Method〉來計算,協助用戶選擇與評估室內照明系統。


 

 

 

接地設計

45
46
47
 
 

國內屋內線路裝置規則規定,適用於屋內線路裝置電力工程技術規範。

  1. 三相四線多重接地系統供電地區之高壓用電設備接地(特種接地),接地電阻需低於 10Ω。
  2. 非接地系統之高壓用電設備接地(第一種接地),接地電阻需低於25Ω。
  3. 低壓用電設備接地,依電壓大小區間,接地電阻分別需低於100Ω(<150V)、50Ω(150~300 間)及 10Ω(>300V)。
 

工程概要

48
49
50
 
 

工程概要須註明供電電壓、主要生產產品或用途、既設、新增設容量、設備容量、契約容量及預定十年後負荷。

 

壓降檢討與改善

 
 

若幹線電壓降 > 3 %,分路電壓降 > 3 %或者幹線+分路電壓降 > 5 %時,將顯示警告視窗

 

編輯封面

51
52
53
 
 

可修改報表的章節、標題、頁數和顯示順序,控制是否列印、鎖住頁數等

 

01、工程概要

 
 

 

 

第 2 頁,總共 4 頁第一頁   上一頁   1  [2]  3  4  下一頁   最後一頁   
本版權屬宏于電機所有 |23876 新北市樹林區武林街2之3號|電話:+886-02-2681-8008 傳真:+886-02-2681-6006 |